充电器电路保护中应用

WHPTC在充电机充电器电路保护中的应用解决方案

 

一.充电机及充电器的基本介绍

 

 

1、充电机及充电器的功能和用途:

 

       充电机是将高压交流电或高压直流电转变低压直流电对各种化学电池、蓄电池充电的设备。完

成的功能就是在不同时间输出大小不同的直流电流及脉冲电流让蓄电池将电能转化为化学能储存起来。


2、对充电机和充电器的相关说明:

 

       充电机和充电器在工作原理、功能应用上没有明确的区别,其结果就是对蓄电池充电,只是叫法不同,有便携的或叫移动充电器、有固定的或叫充电机、充电桩、手机充电的一般叫充电器。

 

3、充电机及充电器的种类:

 

       充电机的种类按行业不同、设备不同来分,种类非常多,应用于电动工具、电动玩具、电动自行车、电动摩托车、工农业生产与工矿企业的各类小型机动车、电子、通讯、教学、交通运输、电力、科研、国防、医疗卫生以及人们日常生活中被广泛应的蓄电池的充电。

 

蓄电池(常用的化学电池)的基本介绍

 

       蓄电池也称作二次电源,它是一种把化学反应所释放出来的能量直接转变成直流电能的装置。蓄电池按照其电解液的不同,通常分为酸性电池和碱性电池。近几十年来,由于交通、通讯、计算机产业的高速发展,其产品系列、产品种类、产品性能发生了巨大变化,以此满足不同用途的需要。目前,蓄电池主要应用于各种车辆、船舶、飞机等内燃机的起动以及照明、蓄能、不间断电源、移动通讯、便携式电动工具、电动玩具当中。

 

       常用的化学电池有:铅酸蓄电池、镉镍蓄电池、铁镍蓄电池、金属氧化物蓄电池、锌银蓄电池、锌镍蓄电池、氢镍蓄电池、锂离子蓄电池、锌空电池、锂聚合物电池等。其中,以铅酸蓄电池为数量最多。铅酸蓄电池的价格最低,也最常用,中国是全世界铅酸蓄电池最大的生产国。其含污染的成分比较少,可回收性好。单格蓄电池电压是2V,每个蓄电池都是多个单格的组合,电压也是单格电压的倍数,我们常把多个蓄电池串联或并联在一起使用,统称蓄电池组。

 

       常见的蓄电池组按电压不同分别有:6V、12V、24V、36V、48V、60V、72V等系列。

 

 

蓄电池的工作特点是充电电流小、放电电流大(充电电流1-10A,而且6A以的下居多)。这个电流值大多在我司WHPTC电流规格范围内。

 

常见蓄电池如下图:

 

常见蓄电池

充电机的结构与工作原理:

1、充电机的结构

    目前不同的厂家有多种形式的充电机,所以充电机的种类繁多,电路结构千差万别,但工作原理却大同小异,不是用变压器就是用开关电源,而目前变压器式的较少,大多数厂家的充电机使用开关电源电路,常用的开关电源式充电机又分半桥式和单激式两大类,单激类又分为正激式和反激式两类。半桥式成本高,性能好,常用于带负脉冲的充电器;单激式成本低,市场占有率高。其结构如下图所示:

充电机结构图

充电机结构方框图

 

12v 10A原理方框图

 

12V 10A原理方框图 

2、充电机的工作原理:

    充电机对蓄电池的充电分为六段式充电和三段式充电两种。

 

A、对于六段式充电原理及过程如下:

 

六段式充电机充电过程  

    六阶段充电机充电过程列举, 24V/120Ah 电池为例的充电过程:

 

a.预充阶段(小电流预充电):充电机设有延时启动,延时时间为7秒,启动后首先进入预充阶段,充电机先设小电流流为5A,充电6分钟,目的是激活电池;

 

b.大电流阶段(恒流充电):预充结束后进入恒流10A大电流充电阶段;

 

c.恒压阶段(恒压充电):当充电电压上升到30.5V时,进入恒压充电阶段,充电电流逐步减小;

 

d.小电流阶段(涓流充电):当充电电流减小到7A时,进入小电流阶段,恒流5A补充充电,充电电压小幅上升;

 

e.脉冲阶段(脉冲充电):当充电电压上升到31时,进入脉冲充电阶段,如果充电电压40分钟未达到 31V,则自动进入脉冲阶段,充5秒,停5秒对电池进行补充和维护;

 

f.浮充阶段(浮充充电):脉冲充电20分钟后自动进入浮充阶段,浮充阶段充电机自动关机。

 

B、对于三段式充电原理及过程框图如下(减少了预充电、脉冲及浮充充电过程)

 

三段式充电原理图

 

C、充电机的充电曲线如下:

 

充电机的充电曲线

 

不论哪种充电机,都必须要求正确使用和操作:

充电器的正确操作是:充电时,先插电池,后加市电;充足后,先切断市电,后拔电池插头。如果在充电时先拔电池插头,特别是充电电流大时,非常容易损坏充电器。

 

3、常见充电机:

 

常见充电机

充电机电路保护存在的常见问题

 

A、对充电机电路的要求:

 

充电机的好坏与正确使用,对延长蓄电池的使用寿命起作非常关建的作用,业界广为流传的一句话就是:蓄电池不是用坏的,而是充坏的。 为了满足电动自行车电池的短时高容量充电,在三段式恒压限流充电中,不得不通过提高恒压值到2.47V2.49V。这样,大大超过电池正极板析氧电压和负极板析氢电压,一旦高于析氢电压,电池也会快速的失水。一些充电器制造商的产品为了降低充电时间,提高了恒压转浮充的电流,而使得充电指示充满电以后,还没有充满电。而用户使用电池,是无法保证每次使用以后,都能够及时充电的,电池就会产生比较严重的硫化而提前失效。一些充电器制造商把某些功能夸大,成品的功效没有其宣传的那样好。

 

好的充电器要求不仅仅输入电压范围要宽、充电电压电流要与被充电蓄电池相适应、还必须具有下列保护功能: 短路保护、反接保护、过流过压保护、超温保护和开路零输出电压保护、以及自动温度补偿功能

 

B、目前充电机电路以及在使用中存在的常见问题:

 

充电机原理框图-0

充电机原理框图-1

 

好的充电机有较完善的保护电路,耐用但成本高。有很多厂家在充电机的设计及生产中,因顾及成本,使用简易电路、有的连基本的控制电路都没有、或者根本不设保护电路。不管怎样设计,在使用时,每一次都正确操作与正确使用,还是可以的。但事实上并不是每一个人在每一次使用时都能正确操作。这就使得充电机成了易损设备,常见问题表现在以下几个方面:

 

充电器在充电时先拔电池插头,特别是充电电流大时,非常容易损坏充电器。正确操作要求:充电时,先插电池,后加市电;充足后,先切断市电,后拔电池插头。而这种情况是无法避免的,也是最常见的。这种情况仅损坏充电机,不会损坏蓄电池。

 

充电器性能不良,使充电电流过大造成电池高温膨胀、电池极板变形。不仅仅损坏充电机,还损坏蓄电池。

 

高电压的充电机对低电压蓄电池充电时,电池受高倍率大电流连续过充。(例:用48V充电机给36V24V的电瓶充电)不仅损坏充电机,还会损坏蓄电池。(单格蓄电池电压是2V,每个蓄电池都是多个单格的组合,电压也是单格电压的倍数,我们常把多个蓄电池串联或并联在一起使用,统称蓄电池组。常见的蓄电池组按电压不同分别有:6V12V24V36V48V72V-----400V等系列)

 

蓄电池装配不良产生大电流损坏充电机:主要是装配反极造成充电机输出大电流;   A、组装反极 B、封盖时极性相反 (12V的电池反一格约8V,反二格约4V;封盖相反变成-12V)C、焊接不良或短路,不仅会因大电流损坏充电机,同时蓄电池还会产生爆裂。  

 

充电反极造成大电流损坏充电机。充电时正负极连接错误、电压呈负值,相当于与充电机的电压串联,回路电流比短路电流大得多。不仅仅损坏充电机,还同时损坏蓄电池。

 

 ⑥对于过放电有部分反极的,在充电时会产生大电流损坏充电机。

  ⑦对于使用变压器的充电机,在上述各情况下均会使变压器烧坏。严重的还会引起火灾。

 ⑧其他会损坏充电机的情况还有市电过高、雷电流、受潮漏电、干扰大电流等。

 

WHPTC在充电机电路保护中可解决的问题与应用方法:

 

介于上述问题的存在,所以对充电机的研发,提出了一系列的要求:输入电压范围宽、充电的输出电压电流要与被充电蓄电池相适应、同时必须具有下列保护功能: 短路保护、反接保护、过流过压保护、超温保护和开路零输出电压保护、以及自动温度补偿功能

 

要求充电机具有这些保护功能,是因为:

过压------电压超过规定值后,会使充电机的电流过大,从而损坏充电机

短路------短路发生后,会使充电机的电流过大,从而损坏充电机

反极------蓄电池产生反极后,会使充电机的电流过大,从而损坏充电机

反接------蓄电池正负线接反后,会使充电机的电流过大,从而损坏充电机

超温------温度过高的原因是电流过大,发热严重,从而损坏充电机。

过流------有不明原因或操作错误使充电机的电流过大,从而损坏充电机

温度补偿------是为了防止电流过大损坏充电机的电流限制电路。

 

由上述的分析可见,要完成保护功能,最终解决的问题是电流过大的问题,所以实现各种保护功能的本质是解决过流保护问题

 

目前解决过流保护问题的方法很多,常用的方法有电子电路与可控硅保护法、继电器保护法、WHPTC保护法等。其中前两种保护法所用的元器件数量较多、电路复杂、成本高、故障率高。而使用WHPTC保护法,只需用一个PTC元件即可达到过流保护目的,而且其重复性使用让充电机免维护,所以电路简单成本很低。这里详细讨论PTC在充电机的过流保护中的具体应用方法与可解决的问题。


WHPTC在充电机充电器中应用的优势:

WHPTC在充电机充电器中应用的优势

APTC在充电机作过流保护应用的可行性与应用方法:

常见充电机的充电电流一般在500mA—10A左右,有少数的会超过30A。不管那一种充电机,在耐电流能力上都是较强的,这是充电机必须具备的基本能力,在2倍电流、3倍电流时,充电机能持续工作较长的时间,但会因为长时间过流而严重发热,导致充电机损坏。使用PTC做过流保护时,能在充电机过流后很短的时间内(几秒或十几秒钟内)产生保护动作,使充电机得到及时保护。PTC的保护动作时间比充电机过流损坏的时间短,能在充电机损坏前,提前保护充电机。所以PTC自恢复保险丝在充电机的过流保护应用上是可行的。(过流保护是PTC的固有属性

 

在应用方法上主要是串联到充电机的电源输出端,也可同时用于充电机的电源输入端可单个PTC使用,也可两个相同PTC并联后使用。 

BPTC在充电机作过流保护的应用位置如下图:

ptc在充电机电路保护的位置

ptc在充电机电路保护的位置

CPTC在充电机的应用中可解决的具体问题:

当有过流、过热时PTC迅速由低阻变为高阻,从而限流保护。所以可有效解决下列问题:

、当电压超过规定值后,会使充电机的电流过大PTC会及时保护,可有效避免充电机损坏

②、当短路发生后,会使充电机的电流过大PTC会及时保护,可有效避免充电机损坏

③、当蓄电池产生反极后,会使充电机的电流过大PTC会及时保护,可有效避免充电机损坏

④、当蓄电池正负线接反,会使充电机的电流过大PTC会及时保护,可有效避免充电机损坏

⑤、当温度过高的原因是电流过大,发热严重,PTC会及时保护,可有效避免充电机损坏

⑥、有不明原因或操作错误使充电机的电流过大PTC会及时保护,可有效避免充电机损坏

 

DPTC在充电机保护应用中的具体电路:

 

因为充电机行业是一个大家族,同一个厂不同时间生产的充电机是不同的,不同厂就更不相同了,种类繁多、千差万别,所以说,谈到充电机,是指充电机类,不同的充电机,有不同的电流电压,所以本资料只是定性的说明PTC在充电机中的使用方法、使用位置,并用红色突出显示PTC在电路图中的具体位置与连接方法,因同一电路图在使用不同功率管时的电流会不同,可对应不同的蓄电池,所以暂不给出具体的型号。只有充电机与电路图一一对应时,才能给出PTC具体型号。

 

 充电机电路中的自恢复保险丝位置

WHPTC在充电机电路中的应用

WHPTC在电动车充电器中的应用

WHPTC在电动车充电器中的应用

WHPTC在电动车充电器中的应用

WHPTC在电动车充电器中的应用  

WHPTC在电动车充电器中的应用

 

WHPTC在电动车充电器中的应用

WHPTC在电动车充电器中的应用

WHPTC在电动车充电器中的应用

WHPTC在电动车充电器中的应用

WHPTC在充电机中的具体应用:

       WH自恢复保险丝在电动自行车、电动工具、电动玩具等的充电器产品中的应用,WHPTC自恢复保险丝能在电线短路、蓄电池反接后,及时提供有效的保护,以防止充电机电路板烧坏、以及防止蓄电池过放电而产生高温爆炸等情况出现

pptc在充电机(器)的应用

 

     WHPTC自恢复保险丝在电动汽车、电动自行车的充电站、充电桩、停车场及车库充电桩、充电机、蓄电瓶检测设备的保护应用中可有效防止因电线短路、电池线反接后超大电流对蓄电瓶和充电设备的损坏、避免电器火灾。

 

whptc自恢复保险丝的应用

附件:1、充电机常识  

 

、基本类型

常见的恒流恒压充电机分为循环式、浮充式、和恒流恒压可调式三种方式。

、智能循环式充电机:主要用于固定电压和容量的电池作动力的所有设备,如电动叉车、电动汽车、高尔夫球车、电动巡逻车、电瓶拖板车、电动托盘车、堆高电动叉车、电动平台车、电动高空工作平台、电动游乐设备、电动游船、电动洗地机等。

、智能浮充式充电机:主要用于固定电压和容量的电池作浮充使用的机电设备,如发电机、艇船、铁路系统、通讯系统、电力系统、直流不间断电源、UPS 等电池的自动充电。

、可调电压型充电机:主要用于多组电池的充电,如电池的初充电、汽修厂、UPS 厂家及电瓶厂极板的充电。

充电方式:

充电机根据电池充电曲线设计,自动检测电池电压电流,充足保护,保证电池不过充,不欠充.无需调节,全过程智能控制,使用非常方便。

1.恒流充电:

当电池电压较低时,以0.1C-0.14C限流恒流充电,避免电池充电初期过流充电造成过充现象和保证充电机的安全使用.时间约67H,充进电量80%。

2.恒压充电:

当电池电压升高后,自动转为恒压充电,电流自动减小,避免了充电后期电流过大造成电瓶析气失水现象,延长电池寿命。充电电流继续减小到设定值时,黄灯亮,电池基本充足可用.时间约2H ,充进电量20%。
   3.充电结束: 

保持恒压充电,充电电流继续减小,对电池进行维护式充电.充电电流减小到设定值或充电时间达到设定值时,自动停充,充足红灯亮,时间约2H ,充进电量10% 

4.均衡充电:

均充功能:可以消除电池单体的不均衡现象和寒冷季节对电池进行补充充电,以及对陈旧电池进行补允充电,建议每月均充一次或根据电池使用说明书进行定期均充.

使用方法:当电池充电结束后,按一下均充健,小电流恒流均充二小时自动停止充电,可充进电量10%。 

恒压恒流智能充当机属于精密调压的充电机,它由可控硅精密调压,变压器隔离降压,整流器桥式整流,输出全波脉动直流对电瓶进行充电。充电电流,充电电压连续可调,能进行恒流,恒压控制,适宜于一切有电瓶需要补充充电的场合。 本机广泛应用于电动叉车,高尔夫车,游览车,电动游船,电动洗地机,矿用电机车, UPS不间断电源,电力通讯铁路系统等电池的循环充电。保证电池不过充,不欠充。同时也 广泛应用于汽车修配厂,车队,航空,发电机组,程控交换机等通讯设备及船用电瓶的充电, 保证电池不过充,不欠充。 还可以作为一般直流电源来用。

智能充电机 输入电压有三种:单相 AC220V,双火线 AC380V,三相 380V

直流输出连接方式:接线鼻,电瓶夹,对接插座。

 

附件:  2蓄电池的基本知识:

 

、基本定义

电能可由多种形式的能量变化得来,其中把化学能转换成电能的装置叫化学电池,一般简称为电池,电池有原电池和蓄电池之分。

放电后不能用充电的方式使内部活性物质再生的叫原电池,也称为一次性电池。

放电后可以用充电的方式使内部活性物质再生,把电能储存为化学能,需要放电时再次把化学能转换为电能的电池,叫蓄电池,也称为二次电池。

、常用技术术语

充电:蓄电池从其他直流电源获得电能叫做充电。

放电:蓄电池对外电路输出电能时叫做放电。

浮充放电:蓄电池和其他直流电源并联,对外电路输出电能叫做浮充放电。有不间断供电要求的设备,起备用电源作用的蓄电池都处于该种放电状态。

电动势:外电路断开,即没有电流通过电池时在正负极间量得的电位差,叫电池的电动势。

端电压:电路闭合后电池正负极间的电位差叫做电池的电压或端电压。

安时容量:电池的容量单位为安时,即:电池容量Q(安时)=It

I放为放电电流(安) t放为放电时间(小时)

电量效率(安时效率):输出电量与输入电量之间的比叫做电池的电量的效率,也叫安时效率。

电量效率(﹪)=Q÷Q充)×100

=(I×tI×t充)×100

Q放和Q充分别是放电和充电容量(安时)

自由放电:由于电池的局部作用造成的电池容量的消耗。容量损失与搁置之前的容量之比,叫做蓄电池的自由放电率

自由放电率(﹪)=Q1-Q2÷Q1×100

Q1为搁置前放电容量(安时)

Q2为搁置后放电容量(安时)

使用寿命:蓄电池每充电、放电一次,叫做一次充放电循环,蓄电池在保持输出一定容量的情况下所能进行的充放电循环次数,叫做蓄电池的使用寿命。

 

      自恢复保险丝选型     自恢复保险丝应用指南     插件自恢复保险丝    贴片保险丝 

  • 应用方案
  • 生产工艺
  • 充电器电路保护中应用

  • 文章出处 - | 作者 - 管理员 | 人气 - | 发表时间 - 2011-06-29 15:18:00
  • WHPTC在充电机充电器电路保护中的应用解决方案

     

    一.充电机及充电器的基本介绍

     

     

    1、充电机及充电器的功能和用途:

     

           充电机是将高压交流电或高压直流电转变低压直流电对各种化学电池、蓄电池充电的设备。完

    成的功能就是在不同时间输出大小不同的直流电流及脉冲电流让蓄电池将电能转化为化学能储存起来。


    2、对充电机和充电器的相关说明:

     

           充电机和充电器在工作原理、功能应用上没有明确的区别,其结果就是对蓄电池充电,只是叫法不同,有便携的或叫移动充电器、有固定的或叫充电机、充电桩、手机充电的一般叫充电器。

     

    3、充电机及充电器的种类:

     

           充电机的种类按行业不同、设备不同来分,种类非常多,应用于电动工具、电动玩具、电动自行车、电动摩托车、工农业生产与工矿企业的各类小型机动车、电子、通讯、教学、交通运输、电力、科研、国防、医疗卫生以及人们日常生活中被广泛应的蓄电池的充电。

     

    蓄电池(常用的化学电池)的基本介绍

     

           蓄电池也称作二次电源,它是一种把化学反应所释放出来的能量直接转变成直流电能的装置。蓄电池按照其电解液的不同,通常分为酸性电池和碱性电池。近几十年来,由于交通、通讯、计算机产业的高速发展,其产品系列、产品种类、产品性能发生了巨大变化,以此满足不同用途的需要。目前,蓄电池主要应用于各种车辆、船舶、飞机等内燃机的起动以及照明、蓄能、不间断电源、移动通讯、便携式电动工具、电动玩具当中。

     

           常用的化学电池有:铅酸蓄电池、镉镍蓄电池、铁镍蓄电池、金属氧化物蓄电池、锌银蓄电池、锌镍蓄电池、氢镍蓄电池、锂离子蓄电池、锌空电池、锂聚合物电池等。其中,以铅酸蓄电池为数量最多。铅酸蓄电池的价格最低,也最常用,中国是全世界铅酸蓄电池最大的生产国。其含污染的成分比较少,可回收性好。单格蓄电池电压是2V,每个蓄电池都是多个单格的组合,电压也是单格电压的倍数,我们常把多个蓄电池串联或并联在一起使用,统称蓄电池组。

     

           常见的蓄电池组按电压不同分别有:6V、12V、24V、36V、48V、60V、72V等系列。

     

     

    蓄电池的工作特点是充电电流小、放电电流大(充电电流1-10A,而且6A以的下居多)。这个电流值大多在我司WHPTC电流规格范围内。

     

    常见蓄电池如下图:

     

    常见蓄电池

    充电机的结构与工作原理:

    1、充电机的结构

        目前不同的厂家有多种形式的充电机,所以充电机的种类繁多,电路结构千差万别,但工作原理却大同小异,不是用变压器就是用开关电源,而目前变压器式的较少,大多数厂家的充电机使用开关电源电路,常用的开关电源式充电机又分半桥式和单激式两大类,单激类又分为正激式和反激式两类。半桥式成本高,性能好,常用于带负脉冲的充电器;单激式成本低,市场占有率高。其结构如下图所示:

    充电机结构图

    充电机结构方框图

     

    12v 10A原理方框图

     

    12V 10A原理方框图 

    2、充电机的工作原理:

        充电机对蓄电池的充电分为六段式充电和三段式充电两种。

     

    A、对于六段式充电原理及过程如下:

     

    六段式充电机充电过程  

        六阶段充电机充电过程列举, 24V/120Ah 电池为例的充电过程:

     

    a.预充阶段(小电流预充电):充电机设有延时启动,延时时间为7秒,启动后首先进入预充阶段,充电机先设小电流流为5A,充电6分钟,目的是激活电池;

     

    b.大电流阶段(恒流充电):预充结束后进入恒流10A大电流充电阶段;

     

    c.恒压阶段(恒压充电):当充电电压上升到30.5V时,进入恒压充电阶段,充电电流逐步减小;

     

    d.小电流阶段(涓流充电):当充电电流减小到7A时,进入小电流阶段,恒流5A补充充电,充电电压小幅上升;

     

    e.脉冲阶段(脉冲充电):当充电电压上升到31时,进入脉冲充电阶段,如果充电电压40分钟未达到 31V,则自动进入脉冲阶段,充5秒,停5秒对电池进行补充和维护;

     

    f.浮充阶段(浮充充电):脉冲充电20分钟后自动进入浮充阶段,浮充阶段充电机自动关机。

     

    B、对于三段式充电原理及过程框图如下(减少了预充电、脉冲及浮充充电过程)

     

    三段式充电原理图

     

    C、充电机的充电曲线如下:

     

    充电机的充电曲线

     

    不论哪种充电机,都必须要求正确使用和操作:

    充电器的正确操作是:充电时,先插电池,后加市电;充足后,先切断市电,后拔电池插头。如果在充电时先拔电池插头,特别是充电电流大时,非常容易损坏充电器。

     

    3、常见充电机:

     

    常见充电机

    充电机电路保护存在的常见问题

     

    A、对充电机电路的要求:

     

    充电机的好坏与正确使用,对延长蓄电池的使用寿命起作非常关建的作用,业界广为流传的一句话就是:蓄电池不是用坏的,而是充坏的。 为了满足电动自行车电池的短时高容量充电,在三段式恒压限流充电中,不得不通过提高恒压值到2.47V2.49V。这样,大大超过电池正极板析氧电压和负极板析氢电压,一旦高于析氢电压,电池也会快速的失水。一些充电器制造商的产品为了降低充电时间,提高了恒压转浮充的电流,而使得充电指示充满电以后,还没有充满电。而用户使用电池,是无法保证每次使用以后,都能够及时充电的,电池就会产生比较严重的硫化而提前失效。一些充电器制造商把某些功能夸大,成品的功效没有其宣传的那样好。

     

    好的充电器要求不仅仅输入电压范围要宽、充电电压电流要与被充电蓄电池相适应、还必须具有下列保护功能: 短路保护、反接保护、过流过压保护、超温保护和开路零输出电压保护、以及自动温度补偿功能

     

    B、目前充电机电路以及在使用中存在的常见问题:

     

    充电机原理框图-0

    充电机原理框图-1

     

    好的充电机有较完善的保护电路,耐用但成本高。有很多厂家在充电机的设计及生产中,因顾及成本,使用简易电路、有的连基本的控制电路都没有、或者根本不设保护电路。不管怎样设计,在使用时,每一次都正确操作与正确使用,还是可以的。但事实上并不是每一个人在每一次使用时都能正确操作。这就使得充电机成了易损设备,常见问题表现在以下几个方面:

     

    充电器在充电时先拔电池插头,特别是充电电流大时,非常容易损坏充电器。正确操作要求:充电时,先插电池,后加市电;充足后,先切断市电,后拔电池插头。而这种情况是无法避免的,也是最常见的。这种情况仅损坏充电机,不会损坏蓄电池。

     

    充电器性能不良,使充电电流过大造成电池高温膨胀、电池极板变形。不仅仅损坏充电机,还损坏蓄电池。

     

    高电压的充电机对低电压蓄电池充电时,电池受高倍率大电流连续过充。(例:用48V充电机给36V24V的电瓶充电)不仅损坏充电机,还会损坏蓄电池。(单格蓄电池电压是2V,每个蓄电池都是多个单格的组合,电压也是单格电压的倍数,我们常把多个蓄电池串联或并联在一起使用,统称蓄电池组。常见的蓄电池组按电压不同分别有:6V12V24V36V48V72V-----400V等系列)

     

    蓄电池装配不良产生大电流损坏充电机:主要是装配反极造成充电机输出大电流;   A、组装反极 B、封盖时极性相反 (12V的电池反一格约8V,反二格约4V;封盖相反变成-12V)C、焊接不良或短路,不仅会因大电流损坏充电机,同时蓄电池还会产生爆裂。  

     

    充电反极造成大电流损坏充电机。充电时正负极连接错误、电压呈负值,相当于与充电机的电压串联,回路电流比短路电流大得多。不仅仅损坏充电机,还同时损坏蓄电池。

     

     ⑥对于过放电有部分反极的,在充电时会产生大电流损坏充电机。

      ⑦对于使用变压器的充电机,在上述各情况下均会使变压器烧坏。严重的还会引起火灾。

     ⑧其他会损坏充电机的情况还有市电过高、雷电流、受潮漏电、干扰大电流等。

     

    WHPTC在充电机电路保护中可解决的问题与应用方法:

     

    介于上述问题的存在,所以对充电机的研发,提出了一系列的要求:输入电压范围宽、充电的输出电压电流要与被充电蓄电池相适应、同时必须具有下列保护功能: 短路保护、反接保护、过流过压保护、超温保护和开路零输出电压保护、以及自动温度补偿功能

     

    要求充电机具有这些保护功能,是因为:

    过压------电压超过规定值后,会使充电机的电流过大,从而损坏充电机

    短路------短路发生后,会使充电机的电流过大,从而损坏充电机

    反极------蓄电池产生反极后,会使充电机的电流过大,从而损坏充电机

    反接------蓄电池正负线接反后,会使充电机的电流过大,从而损坏充电机

    超温------温度过高的原因是电流过大,发热严重,从而损坏充电机。

    过流------有不明原因或操作错误使充电机的电流过大,从而损坏充电机

    温度补偿------是为了防止电流过大损坏充电机的电流限制电路。

     

    由上述的分析可见,要完成保护功能,最终解决的问题是电流过大的问题,所以实现各种保护功能的本质是解决过流保护问题

     

    目前解决过流保护问题的方法很多,常用的方法有电子电路与可控硅保护法、继电器保护法、WHPTC保护法等。其中前两种保护法所用的元器件数量较多、电路复杂、成本高、故障率高。而使用WHPTC保护法,只需用一个PTC元件即可达到过流保护目的,而且其重复性使用让充电机免维护,所以电路简单成本很低。这里详细讨论PTC在充电机的过流保护中的具体应用方法与可解决的问题。


    WHPTC在充电机充电器中应用的优势:

    WHPTC在充电机充电器中应用的优势

    APTC在充电机作过流保护应用的可行性与应用方法:

    常见充电机的充电电流一般在500mA—10A左右,有少数的会超过30A。不管那一种充电机,在耐电流能力上都是较强的,这是充电机必须具备的基本能力,在2倍电流、3倍电流时,充电机能持续工作较长的时间,但会因为长时间过流而严重发热,导致充电机损坏。使用PTC做过流保护时,能在充电机过流后很短的时间内(几秒或十几秒钟内)产生保护动作,使充电机得到及时保护。PTC的保护动作时间比充电机过流损坏的时间短,能在充电机损坏前,提前保护充电机。所以PTC自恢复保险丝在充电机的过流保护应用上是可行的。(过流保护是PTC的固有属性

     

    在应用方法上主要是串联到充电机的电源输出端,也可同时用于充电机的电源输入端可单个PTC使用,也可两个相同PTC并联后使用。 

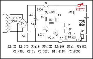
    BPTC在充电机作过流保护的应用位置如下图:

    ptc在充电机电路保护的位置

    ptc在充电机电路保护的位置

    CPTC在充电机的应用中可解决的具体问题:

    当有过流、过热时PTC迅速由低阻变为高阻,从而限流保护。所以可有效解决下列问题:

    、当电压超过规定值后,会使充电机的电流过大PTC会及时保护,可有效避免充电机损坏

    ②、当短路发生后,会使充电机的电流过大PTC会及时保护,可有效避免充电机损坏

    ③、当蓄电池产生反极后,会使充电机的电流过大PTC会及时保护,可有效避免充电机损坏

    ④、当蓄电池正负线接反,会使充电机的电流过大PTC会及时保护,可有效避免充电机损坏

    ⑤、当温度过高的原因是电流过大,发热严重,PTC会及时保护,可有效避免充电机损坏

    ⑥、有不明原因或操作错误使充电机的电流过大PTC会及时保护,可有效避免充电机损坏

     

    DPTC在充电机保护应用中的具体电路:

     

    因为充电机行业是一个大家族,同一个厂不同时间生产的充电机是不同的,不同厂就更不相同了,种类繁多、千差万别,所以说,谈到充电机,是指充电机类,不同的充电机,有不同的电流电压,所以本资料只是定性的说明PTC在充电机中的使用方法、使用位置,并用红色突出显示PTC在电路图中的具体位置与连接方法,因同一电路图在使用不同功率管时的电流会不同,可对应不同的蓄电池,所以暂不给出具体的型号。只有充电机与电路图一一对应时,才能给出PTC具体型号。

     

     充电机电路中的自恢复保险丝位置

    WHPTC在充电机电路中的应用

    WHPTC在电动车充电器中的应用

    WHPTC在电动车充电器中的应用

    WHPTC在电动车充电器中的应用

    WHPTC在电动车充电器中的应用  

    WHPTC在电动车充电器中的应用

     

    WHPTC在电动车充电器中的应用

    WHPTC在电动车充电器中的应用

    WHPTC在电动车充电器中的应用

    WHPTC在电动车充电器中的应用

    WHPTC在充电机中的具体应用:

           WH自恢复保险丝在电动自行车、电动工具、电动玩具等的充电器产品中的应用,WHPTC自恢复保险丝能在电线短路、蓄电池反接后,及时提供有效的保护,以防止充电机电路板烧坏、以及防止蓄电池过放电而产生高温爆炸等情况出现

    pptc在充电机(器)的应用

     

         WHPTC自恢复保险丝在电动汽车、电动自行车的充电站、充电桩、停车场及车库充电桩、充电机、蓄电瓶检测设备的保护应用中可有效防止因电线短路、电池线反接后超大电流对蓄电瓶和充电设备的损坏、避免电器火灾。

     

    whptc自恢复保险丝的应用

    附件:1、充电机常识  

     

    、基本类型

    常见的恒流恒压充电机分为循环式、浮充式、和恒流恒压可调式三种方式。

    、智能循环式充电机:主要用于固定电压和容量的电池作动力的所有设备,如电动叉车、电动汽车、高尔夫球车、电动巡逻车、电瓶拖板车、电动托盘车、堆高电动叉车、电动平台车、电动高空工作平台、电动游乐设备、电动游船、电动洗地机等。

    、智能浮充式充电机:主要用于固定电压和容量的电池作浮充使用的机电设备,如发电机、艇船、铁路系统、通讯系统、电力系统、直流不间断电源、UPS 等电池的自动充电。

    、可调电压型充电机:主要用于多组电池的充电,如电池的初充电、汽修厂、UPS 厂家及电瓶厂极板的充电。

    充电方式:

    充电机根据电池充电曲线设计,自动检测电池电压电流,充足保护,保证电池不过充,不欠充.无需调节,全过程智能控制,使用非常方便。

    1.恒流充电:

    当电池电压较低时,以0.1C-0.14C限流恒流充电,避免电池充电初期过流充电造成过充现象和保证充电机的安全使用.时间约67H,充进电量80%。

    2.恒压充电:

    当电池电压升高后,自动转为恒压充电,电流自动减小,避免了充电后期电流过大造成电瓶析气失水现象,延长电池寿命。充电电流继续减小到设定值时,黄灯亮,电池基本充足可用.时间约2H ,充进电量20%。
       3.充电结束: 

    保持恒压充电,充电电流继续减小,对电池进行维护式充电.充电电流减小到设定值或充电时间达到设定值时,自动停充,充足红灯亮,时间约2H ,充进电量10% 

    4.均衡充电:

    均充功能:可以消除电池单体的不均衡现象和寒冷季节对电池进行补充充电,以及对陈旧电池进行补允充电,建议每月均充一次或根据电池使用说明书进行定期均充.

    使用方法:当电池充电结束后,按一下均充健,小电流恒流均充二小时自动停止充电,可充进电量10%。 

    恒压恒流智能充当机属于精密调压的充电机,它由可控硅精密调压,变压器隔离降压,整流器桥式整流,输出全波脉动直流对电瓶进行充电。充电电流,充电电压连续可调,能进行恒流,恒压控制,适宜于一切有电瓶需要补充充电的场合。 本机广泛应用于电动叉车,高尔夫车,游览车,电动游船,电动洗地机,矿用电机车, UPS不间断电源,电力通讯铁路系统等电池的循环充电。保证电池不过充,不欠充。同时也 广泛应用于汽车修配厂,车队,航空,发电机组,程控交换机等通讯设备及船用电瓶的充电, 保证电池不过充,不欠充。 还可以作为一般直流电源来用。

    智能充电机 输入电压有三种:单相 AC220V,双火线 AC380V,三相 380V

    直流输出连接方式:接线鼻,电瓶夹,对接插座。

     

    附件:  2蓄电池的基本知识:

     

    、基本定义

    电能可由多种形式的能量变化得来,其中把化学能转换成电能的装置叫化学电池,一般简称为电池,电池有原电池和蓄电池之分。

    放电后不能用充电的方式使内部活性物质再生的叫原电池,也称为一次性电池。

    放电后可以用充电的方式使内部活性物质再生,把电能储存为化学能,需要放电时再次把化学能转换为电能的电池,叫蓄电池,也称为二次电池。

    、常用技术术语

    充电:蓄电池从其他直流电源获得电能叫做充电。

    放电:蓄电池对外电路输出电能时叫做放电。

    浮充放电:蓄电池和其他直流电源并联,对外电路输出电能叫做浮充放电。有不间断供电要求的设备,起备用电源作用的蓄电池都处于该种放电状态。

    电动势:外电路断开,即没有电流通过电池时在正负极间量得的电位差,叫电池的电动势。

    端电压:电路闭合后电池正负极间的电位差叫做电池的电压或端电压。

    安时容量:电池的容量单位为安时,即:电池容量Q(安时)=It

    I放为放电电流(安) t放为放电时间(小时)

    电量效率(安时效率):输出电量与输入电量之间的比叫做电池的电量的效率,也叫安时效率。

    电量效率(﹪)=Q÷Q充)×100

    =(I×tI×t充)×100

    Q放和Q充分别是放电和充电容量(安时)

    自由放电:由于电池的局部作用造成的电池容量的消耗。容量损失与搁置之前的容量之比,叫做蓄电池的自由放电率

    自由放电率(﹪)=Q1-Q2÷Q1×100

    Q1为搁置前放电容量(安时)

    Q2为搁置后放电容量(安时)

    使用寿命:蓄电池每充电、放电一次,叫做一次充放电循环,蓄电池在保持输出一定容量的情况下所能进行的充放电循环次数,叫做蓄电池的使用寿命。

     

          自恢复保险丝选型     自恢复保险丝应用指南     插件自恢复保险丝    贴片保险丝